Features
Continuous transmission of signal and/or data under 360° unrestrained rotation; Less noise, long life ;Low torque, smooth rotation ;Electrical Noise<0.01Ω; Small compact construction
Options(On your request)
Number of Circuits、 Housing material、 IP class、 Higher operating speed、 Cable length、 Connectors、 Special cables、 Salt mist proof、 Operating temperature、 Housing can be mounted upside down
CA022 series Slip Rings
| Parts# | Circuits(Rings) | Length |
| CA022-06 | 6Xsignal(2A) | 18.2mm |
| CA022-12 | 12Xsignal(2A) | 26mm |
| CA022-18 | 18Xsignal(2A) | 33mm |
| CA022-24 | 24Xsignal(2A) | 40mm |
| CA022-36 | 36Xsignal(2A) | 57.3mm |
| CA022-0315 | 3X15A | 42mm |
| CA022-0330 | 3X30A | 42mm |
| Specifications |
| Working Speed | 0~300RPM | Rings | 2A/ring,400VDC/VAC |
| Housing Material | Plastics | Torque | 0.01N.m;+0.01N.m/6rings |
| Working life | >4 million revolutions | Contact material | Precious Metal:Gold-Gold |
| Electrical noise | <5mOhn | Contact Resistance | <2mOhm |
| Dielectric strength | 500VDC@50Hz | Lead Wire | UL Teflon® Awg28,Awg12 |
| Insulation resistance | 1000MΩ@600VDC | Lead Lengths | 250mm(12") |
| Operating Temp. | -40°C to 80°C | Storage Temp. | -55°C to 85°C |
| Bearing | Deep groove ball | Protection | IP51 |
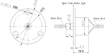
Drawings
CA022-06-ACA022-06-B
CA022-06-CCA022-06-D
CA022-12-ACA022-12-B
CA022-18CA022-24
CA022-36CA022-0330
Color Code Seq
6 colors for one group,indicated with number code pipe.
| Lead wire Color codes |
| Rings# | 1 | 2 | 3 | 4 | 5 | 6 |
| Color | BLK | RED | YEL | GRN | BLU | WHT |
Typical applications
CCTV pedestal、 Automatic arm、 Medical equipments、 Rotary index table、 Production line, industry process equipments
Customized on your request
If you don't see what you want in this website,let us know; we may already have it designed or we will modify a design to meet your requirements. In many cases the specifications in the catalog can be changed to include bore size, circuits number, higher current/voltage,flange, lead wire length,shielding,connectors,higher speed,IP68,military grade,higher temperature, mixed with pneumatic/hydraulic capability. Please ask if you don't see exactly what you need as only a small fraction of our Rion slip rings are included in this catalog!
For a detailed outline drawing/3D modal files of a specific model number, or to request a quotation, please contact your local sales representative or send an email to
[email protected]